Hi,
I have a Merry Tiller Titan circa 1966 engine runs ok but when I got it the throttle linkages were not connected does anybody know where I can obtain a diagram for the correct throttle linkages assembly, I have found out so far the nut on top of the verticle link rod is missing.
Many thanks
Merry Tiller Titan
Moderators: KG Steve, Chantal, Tigger, peter
-
thebigflyin
- KG Regular
- Posts: 6
- Joined: Thu Dec 01, 2016 3:22 pm
Hi
if it what I think you are talking about Ill tell you what i do.
i chuck out the old cable and lever thingy, go to a bicicle shop and get a gear change handel lever thingy and a breack or gear cable.
job done.
Kevin H
if it what I think you are talking about Ill tell you what i do.
i chuck out the old cable and lever thingy, go to a bicicle shop and get a gear change handel lever thingy and a breack or gear cable.
job done.
Kevin H
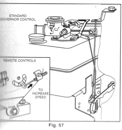
To use the original set up you would need the special nut. This seems to have been a Wolseley idea as B & S gave three options of how to fit a "remote" throttle assembly and connecting the inner cable to that vertical rod wasn't one of them. As your chances of finding the nut are rare, I would suggest using the alternatives, either the linkage under the fuel tank, you can fit this with cable to the left or right, or the mounting point beside the choke, which was used on Wizards by Wolseley. Cycle cabes are useless as there is no return spring, being a solid inner wire, the origonal type cable can push as well as pull.
- Attachments
-
- Wizard throttle.jpg (125.58 KiB) Viewed 4469 times
-
- Governor links.jpg (27.09 KiB) Viewed 4469 times
-
- titan7.jpg (56.27 KiB) Viewed 4469 times
