Merry tiller major engine
Moderators: KG Steve, Chantal, Tigger, peter
I've just bought a merry tiller major which runs but it seems to have an issue with the engine. Although it starts it doesn't seem to rev up and appears to be seriously lacking power. I'm considering getting another engine for it and wanted your opinions on a relatively powerful engine that I could put on it without it being overpowered.
-
Westi
- KG Regular
- Posts: 6579
- Joined: Thu Oct 30, 2008 4:46 pm
- Location: Christchurch, Dorset
- Has thanked: 1747 times
- Been thanked: 639 times
Welcome Shrek76! I don't know a thing about your machinery, but be patient as we have clever guys on here who will advice as soon as they get home from the plot!
Westi
I'm not honestly sure as there doesn't appear to be any codes on the engine. I've seen an identical b&s engine on eBay and it was a 3hp engine. I'm not sure if that helps. Could the merry tiller major take a 5.5 or 6.5hp engine?
Last edited by Shrek76 on Tue Apr 07, 2020 8:52 pm, edited 1 time in total.
Yes, 3hp Briggs & Stratton, or possibly 2.5hp as they shared the same block. This was a superb choice for the Merry Tiller as it is lighter than the 4hp/5hp used on later models, and makes it easier to manoeuvre at the row ends. The most probable problem, unless it is producing clouds of blue smoke, which would indicate worn piston rings & cylinder, is a badly set governor and/or carburettor. The belt guide won't fit if you don't use a B & S side valve engine, though the Honda GX160 is close enough if you stretch the mounting hole on the guide. It also is a heavy lump compared to the 3hp B & S. As I don't suppose garden machinery places will be working, get a good book on B & S side valve engines and re-set the carb and governor by that.
One thing I have noticed is how few people know how to use a Merry Tiller. I have watched lots of videos on U Tube and never found one by anyone who knows what they are doing.
One thing I have noticed is how few people know how to use a Merry Tiller. I have watched lots of videos on U Tube and never found one by anyone who knows what they are doing.
-
Barry Jones
- KG Regular
- Posts: 1
- Joined: Fri May 15, 2020 6:29 pm
can anyone help, please? I've got an Mt major 5hp 206 cc made 76 onwards I'm having trouble linking the carb mechanism to the governor and making it all work from the throttle cable . I can't find any pictures or diagrams showing these parts , Though I have the handbook, it doesn't show. Thanks in advance.Barry Jones.Ps Also looking to findbearings for both the Major and Titan idler wheel.
- oldherbaceous
- KG Regular
- Posts: 14472
- Joined: Tue Jan 24, 2006 1:52 pm
- Location: Beautiful Bedfordshire
- Has thanked: 742 times
- Been thanked: 737 times
Morning Barry, Richard is the bloke to help you...he will see this if you are patient.
Kind Regards, Old Herbaceous.
There's no fool like an old fool.
There's no fool like an old fool.
- peter
- KG Regular
- Posts: 5879
- Joined: Fri Nov 25, 2005 1:54 pm
- Location: Near Stansted airport
- Has thanked: 23 times
- Been thanked: 81 times
- Contact:
Barry, Richard has a website and he sells the idler wheels and many other bit.
http://www.merrytiller.co.uk/spares1.htm below the diagram that shows how to get the right belt size!
http://www.merrytiller.co.uk/spares1.htm below the diagram that shows how to get the right belt size!
Do not put off thanking people when they have helped you, as they may not be there to thank later.
I support http://www.hearingdogs.org.uk/
I support http://www.hearingdogs.org.uk/
Apart from very late Majors the idler wheel is a 1950s roller skate wheel. surprisingly it is still available and is a sealed unit, so throw away and buy new, the bearings are not all that tight on new ones. Titans are a lot more tricky. I would assume they are a "track roller" but never found one like it. So I do a kit of new needle roller races and grease seal, but if the shaft has had it, or the aluminium wheel, the only other option is a new pulley assembly. However as I can't get axle shafts hardened at a sensible price, I make new wheels fitted with ball bearings and a mild steel axle shaft, to special order.
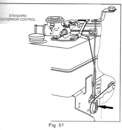
Although B & S put three different mounting points for "remote" throttle cables on the 4 & 5hp engine, Wolseley chose non of them, and modified a B & S Generator throttle linkage instead.
Although B & S put three different mounting points for "remote" throttle cables on the 4 & 5hp engine, Wolseley chose non of them, and modified a B & S Generator throttle linkage instead.
- Attachments
-
- titan7.jpg (56.27 KiB) Viewed 34212 times
-
- Governor links2.jpg (21.57 KiB) Viewed 34212 times
